Обзор
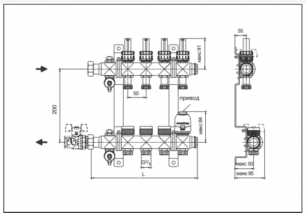
Подключение подводящего трубопровода 1" к гребенке возможно слева или справа на выбор. Подключение отопительных контуров осуществляется с помощью гайки G 3/4" с наружной резьбой по DIN EN 16313 (евроконус) под присоединительные наборы со стяжным кольцом Oventrop. Термостатические вентильные вставки с резьбовым соединением M 30 x 1,5 на обратном коллекторе можно оборудовать термоэлектрическими приводами с комнатными термостатами для регулирования температуры отдельных помещений (поставляются как комплектующие).
Рекомендуется устанавливать коллектор в легкодоступном месте для упрощения обслуживания. Подающая и обратная балка закрепляются в шумоизолированных крепежных хомутах. Крепеж позволяет установить гребенку в монтажном шкафу или непосредственно на стене.
„Multidis SF“ Гребенка из нержавеющей стали для панельного отопления и охлаждения, артикул № 140 43, с вентильными вставками под приводы M 30 x 1,5
и встроенными ротаметрами, в смонтированном виде.
Подающий коллектор из нержавеющей стали (1.4301) со встроенными ротаметрами. Отводы, никелированные, с наружной резьбой G 3
/4 для присоединительных наборов
Oventrop со стяжными кольцами и никелированными накидными гайками. На входе внутренняя резьба G1 для непосредственного присоединения шаровых кранов с плоским уплотнением. На коллекторе кран с функцией заполнения и слива, со штуцером под шланг Ду 15, никелированная воздухоспускная пробка G 1/2 и никелированная торцевая заглушка G 3/4.
Обратный коллектор из нержавеющей стали (1.4301) со встроенными вентильными вставками под приводы M 30 x 1,5. Отводы, никелированные, с наружной резьбой G 3/4 для присоединительных наборов Oventrop со стяжными кольцами и никелированными накидными гайками. На выходе внутренняя резьба G1 для непосредственного присоединения шаровых кранов с плоским уплотнением. На коллекторе кран с функцией заполнения и слива,со штуцером под шланг Ду 15, никелированная воздухоспускная пробка G 1
/2 и никелированная торцевая заглушка G 3/4.
Для крепления гребенки в монтажном шкафу или на стене прилагаются крепежные хомуты из оцинкованной стали. Звукоизоляция хомутов соответствует нормам, действующим в высотных зданиях по DIN 4109.
Характеристики
Гребенка Oventrop "Multidis SF" 1" для радиаторного отопления с ротаметрами на 3 контура, из нерж.стали 1404353 отзывы
| 0 | ||
| 0 | ||
| 0 | ||
| 0 | ||
| 0 |
























